品质丨服务丨创新丨发展
首页
关于我们
产品中心
新闻中心
厂区图片
联系我们
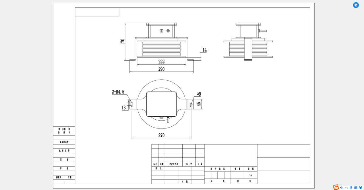
LAS150C长度角度传感器性能参数:
工作电压:
10-30V DC
工作温度:
-20℃~+70℃
可调整左右置安装
长度变化量有效测量范围:
0--20米
长度输出信号:
4-20mA
角度测量范围:
-5°--95°,-30°-90°
角度信号精度:
0.3°
角度输出信号:
测长线配置:
3*0.22mm²*25米
- 产品推荐 -
获取免费报价
需要聊天吗?
公司地址:徐州经济技术开发区乐业路6号联东U谷10号楼
联系电话:0516-85832736
企业邮箱:wq_wq2000@163.com